Руководство по ремонту и обслуживанию дизельных двигателей Nissan (FE6, FE6A, FE6B, FE6C, FE6E, FE6T, FE6TA, FE6TB)
Издание содержит подробные сведения по техническому обслуживанию двигателей, ремонту, проверке и регулировке механических частей двигателей, систем смазки и охлаждения, турбонаддува, запуска и зарядки, приведены процедуры проверки и ремонта воздушного компрессора.
В книге подробно рассмотрены модификации рядных ТВНД с различными типами регуляторов и муфт опережения впрыска (в т.ч. ТНВД с электронным управлением), регулировочные характеристики топливных насосов, форсунок, регуляторов ТВНД достаточных для полной и точной регулировки и обслуживания топливных систем автомобилей.
- Приведены инструкции по диагностике системы управления дизельным двигателем (MD-TICS), диагностические коды неисправностей (Flash).
- Приведены разъемы электронных блоков управления, назначение выводов и процедуры проверки датчиков и исполнительных механизмов системы управления дизельным двигателем.
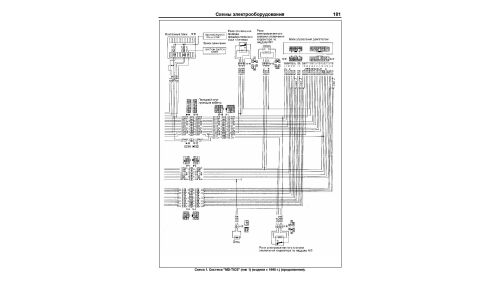
- Представлены электросхемы систем управления двигателем (MD-TICS), запуском, зарядкой и подогрева воздуха на впуске для различных комплектаций.
- Приведены возможные неисправности и методы их устранения, сопрягаемые размеры основных деталей и пределы их допустимого износа, рекомендуемые смазочные материалы, рабочие жидкости.
Книга предназначена для автовладельцев, персонала СТО и ремонтных мастерских.
Производитель оставляет за собой право без уведомления менять характеристики, внешний вид, комплектацию товара и место его производства.
В случае, если в описании товара прямо не указано обратное, гарантийный срок на такой товар не установлен.







