Руководство по ремонту и обслуживанию бензиновых двигателей Toyota (1ZZ-FE, 2ZZ-GE, 4ZZ-FE, 3ZZ-FE)
В руководстве дается пошаговое описание процедур по диагностике, ремонту и техническому обслуживанию бензиновых двигателей 1ZZ-FE (1,8 л), 2ZZ-GE (1,8 л), 3ZZ-FE (1,6 л) и 4ZZ-FE (1,4 л) с распределенным впрыском топлива, устанавливаемых на автомобили Toyota с правым и левым расположением рулевого колеса:
Леворульные модели:
- Avensis (1997 - 2003) ZZT22#
- Avensis (2003 - 2008) ZZT25#
- Celica (1999-2005) ZZT23#
- Corolla (1999 - 2001) ZZE11#
- Corolla (2001 - 2006) ZZE12#
- Corolla (2008 -...) ZZE14#
- Corolla / Auris (2006 - 2008) ZZE150
- Corolla / Matrix / Pontiac Vibe (2002-2008) ZZE13#
- Corolla Verso (2001 - 2004) ZZE12
- Corolla Verso (2004 - 2009) ZNR1#
- MR2 (1999 - 2005) ZZW30
- RAV4 (2000 - 2005) ZCA2#
Праворульные модели:
- Caldina (2002 - 2007) ZZT241
- Corolla / Fielder (2000 - 2006) ZZE12#
- Corolla Runx / Allex (2001 - 2006) ZZE12#
- Corolla Spacio (2001 - 2007) ZZE12#
- Celica (1999 - 2006) ZZT23#
- Isis (2004 -...) ZNM10
- MR-S (1999 - 2007) ZZW30
- Opa (2000 - 2005) ZCT1#
- Premio / Allion (2001 - 2007) ZZT24#
- RAV4 J/L (2000 - 2005) ZCA2#
- Vista / Vista Ardeo (1998 - 2003) ZZV50
- Voltz (2002 - 2004) ZZE13#
- Will WS (2001 - 2004) ZZE12#
- Wish (2003 - 2009) ZNE1#
Издание содержит подробные сведения по техническому обслуживанию двигателей, ремонту и регулировке механической части, элементов системы впрыска топлива, системы изменения фаз газораспределения (VVT-i), системы изменения фаз газораспределения и высоты подъёма клапанов (VVTL-i), систем охлаждения, смазки, зажигания, запуска и зарядки.
- Приведены инструкции по диагностике электронных систем управления бензиновыми двигателями для различных модификаций двигателей и автомобилей.
- Подробно описаны диагностические коды неисправностей Flash, P0, P1, B2, условия их возникновения и возможные причины неисправностей.
- Приведены разъемы и процедуры проверки сигналов на выводах блоков управления для различных модификаций двигателей - PinData.
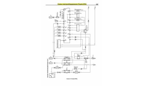
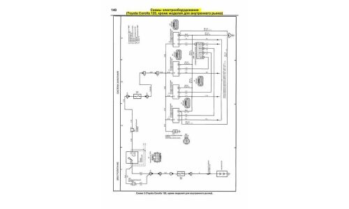
- Представлены электросхемы систем управления двигателем, запуска и зарядки.
- Приведены возможные неисправности и методы их устранения, сопрягаемые размеры основных деталей и пределы их допустимого износа, рекомендуемые смазочные материалы и рабочие жидкости, необходимые для технического обслуживания и ремонта.
Книга предназначена для автовладельцев, персонала СТО и ремонтных мастерских.
Производитель оставляет за собой право без уведомления менять характеристики, внешний вид, комплектацию товара и место его производства.
В случае, если в описании товара прямо не указано обратное, гарантийный срок на такой товар не установлен.














