Руководство по эксплуатации, техническому обслуживанию и ремонту Toyota Harrier с бензиновым двигателем (1997-2003 гг.)
Издание содержит руководство по эксплуатации, подробные сведения по техническому обслуживанию автомобилей, диагностике, ремонту и регулировке элементов систем двигателя (в т.ч. системы впрыска топлива, системы изменения фаз газораспределения (VVT), систем зажигания, запуска и зарядки), автоматической коробки переключения передач (АКПП), тормозной системы (включая антиблокировочную систему тормозов (ABS), противобуксовочную систему (TRC), систему экстренного торможения (ВА) и систему курсовой устойчивости (VSC)), рулевого управления и подвески, кузовных элементов, систем кондиционирования (АС), отопления и вентиляции, а также системы пассивной безопасности (SRS).
- Приведены инструкции по диагностике 9 электронных систем: управления двигателями, АКПП, ABS / TRC / ВА / VSC, АС, SRS, аудиосистемы, системы навигации, систем Multivision и Multiplex.
- Подробно описан 441 код неисправностей P0, P1, P2, С0, С1, С2, В1, B2, U0, U1, Flash; условия их возникновения и возможные причины.
- Приведены разъемы и процедуры проверки сигналов на выводах блоков управления различными системами - PinData.
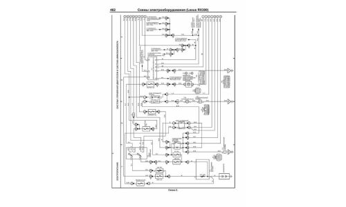
- Представлены 80 подробных электросхем (39 систем) для различных вариантов комплектации, описание большинства элементов электрооборудования.
- Издание переработано и дополнено в 2015 году.
- Приведены возможные неисправности и методы их устранения, сопрягаемые размеры основных деталей и пределы их допустимого износа, рекомендуемые смазочные материалы, рабочие жидкости и каталожные номера расходных запчастей, необходимых для технического обслуживания, размеры рекомендуемых шин и дисков.
Книга предназначена для автовладельцев, персонала СТО и ремонтных мастерских.
Производитель оставляет за собой право без уведомления менять характеристики, внешний вид, комплектацию товара и место его производства.
В случае, если в описании товара прямо не указано обратное, гарантийный срок на такой товар не установлен.






















