Руководство по эксплуатации, техническому обслуживанию и ремонту Mitsubishi Outlander III с бензиновым двигателем (2012-2018 гг.)
Издание содержит руководство по эксплуатации, подробные сведения по техническому обслуживанию автомобиля, диагностике, ремонту и регулировке систем двигателя (в т.ч. систем впрыска топлива, регулировке фаз газораспределения и подъема клапанов (MIVEC), зажигания, запуска и зарядки), элементов вариатора (CVT), автоматической коробки передач (АКПП), раздаточной коробки, заднего редуктора (включая систему управления полным приводом (4WD)), элементов тормозной системы (включая антиблокировочную систему тормозов (ABS), систему электронного распределения тормозных усилий (EBD), противобуксовочную систему (TCL), систему курсовой устойчивости (ASC)), рулевого управления (в т.ч. системы электронного усилителя (EPS)), подвески, кузовных элементов, систем вентиляции и кондиционирования (AC), системы пассивной безопасности (SRS).
- Приведены инструкции по диагностике 24 электронных систем: управления двигателем, вариатором, кондиционером, 4WD, EPS, ABS, EBD, TC, ASC, SRS, дистанционного управления центральным замком (WCM), дистанционного управления центральным замком и запуска двигателя (KOS), электропривода задней двери, противоугонной системы, иммобилайзера, комбинации приборов, наружного освещения, коррекции света, очистителей и омывателей стекол и фар, электроприводов стеклоподъемников, стеклоподъемников зеркал заднего вида, электропривода люка, парковки, поддержания скорости, шины данных CAN.
- Подробно описаны 852 кода неисправностей: P0, P1, P2, B1, B2, C1, С2, U0, U1, L0; условия их возникновения и возможные причины.
- Приведены разъемы и процедуры проверки сигналов на выводах блоков управления различными системами - PinData.
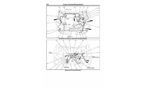
- Представлена 141 подробная электросхема (33 системы) для различных вариантов комплектации, описание большинства элементов электрооборудования.
- Приведены возможные неисправности и методы их устранения, сопрягаемые размеры основных деталей и пределы их допустимого износа, рекомендуемые смазочные материалы, рабочие жидкости и каталожные номера расходных запчастей, необходимых для технического обслуживания, размеры рекомендуемых шин и дисков.
Книга предназначена для автовладельцев, персонала СТО и ремонтных мастерских.
Производитель оставляет за собой право без уведомления менять характеристики, внешний вид, комплектацию товара и место его производства.
В случае, если в описании товара прямо не указано обратное, гарантийный срок на такой товар не установлен.











